Unidad 3: Polarización del BJT

Profesor: Ing. Israel Chaves Arbaiza

Curso: Electrónica Básica para Ing. Mecánica

Agenda

  • Ecuaciones del transistor
  • Punto de operación
  • Polarización del BJT
  • Polarización Fija
  • Saturación del transistor BJT
  • Análisis de recta de carga
  • Polarización por Divisor de voltaje
  • Polarización con Realimentación del colector

Ecuaciones importantes

Relaciones importantes de un transistor:

V_{BE}=0,7 \text{[V]}\\ I_{E}=(\beta + 1)I_{B}\cong I_{C}\\ I_{C}=\beta I_{B}

Punto de operación

Polarización es un término de aplicación de voltajes de CD para establecer un nivel fijo de corriente y voltaje.

El punto de operación o punto quiescente (quiescente proviene del término quieto), es un punto fijo en las características.  Se pueden seleccionar diferentes puntos de operación,

\text{según } V_{CE} \wedge I_{C}

Punto de operación

A: Totalmente apagado
(sin polarizar)
B: Se aplicar una señal al
circuito, sin llegar a corte
ni saturación
C: Variación positiva y
negativa de la señal de
entrada, valor pico
limitado por la proximidad
a cero. (no linealidades      )
D: Cerca de la potencia
máxima

I_B

Punto de operación

¿Cuál parece el mejor punto de operación?

A: Totalmente apagado
(sin polarizar)
B: Se aplicar una señal al
circuito, sin llegar a corte
ni saturación
C: Variación positiva y
negativa de la señal de
entrada, valor pico
limitado por la proximidad
a cero. (no linealidades      )
D: Cerca de la potencia
máxima

I_B

Punto de operación

¿Cuál parece el mejor punto de operación?

A: Totalmente apagado
(sin polarizar)
B: Se aplicar una señal al
circuito, sin llegar a corte
ni saturación
C: Variación positiva y
negativa de la señal de
entrada, valor pico
limitado por la proximidad
a cero. (no linealidades      )
D: Cerca de la potencia
máxima

I_B

Polarización del BJT

Para que el BJT se polarice en su región activa, o de operación
lineal, se debe cumplir que:

  1. La unión Base-Emisor debe polarizarse en directa, con el
    voltaje de polarización entre 0, 6 V y 0, 7 V
  2. La unión Base-Colector debe polarizarse en inversa (más
    positivo en la región N)

Polarización del BJT

La operación de las regiones de corte, saturación y lineal, para un transistor BJT, se da como sigue:

  1. Operación en la región lineal:
    • ​Unión base-emisor polarizada en directa​
    • Unión base-colector polarizada en inversa
  2. Operación en la región de corte:
    • ​Unión base-emisor polarizada en inversa​
    • Unión base-colector polarizada en inversa
  3. Operación en la región de saturación:
    • ​Unión base-emisor polarizada en directa​
    • Unión base-colector polarizada en directa

Polarización Fija

También llamada Emisor Común.

Es la configuración de polarización de CD más simple.
Se aplica igual para el transistor PNP, cambiando todas las
direcciones de la corriente y polaridades del voltaje.
Para el análisis en CD, se aisla la red de los niveles de CA
cambiando los capacitores por un abierto.

Polarización en director de la unión base-emisor

I_{B}=\frac{V_{CC}-V_{BE}}{R_{B}}

Malla colector-emisor

I_{C}=\beta I_{B}

La magnitud de Ic no es función de Rc

Malla colector-emisor

V_{CE}=V_{CC}-I_{C}R_{C}

Variar Rc no afectará el nivel de las corrientes del BJT, mientras esté en la región activa.

Pero sí variará el valor de

V_{CE}

Además:

V_{CE}=V_{C}-V_{E} \quad V_{E}\rightarrow 0 \quad \Rightarrow V_{CE}=V_{C}\\ V_{BE}=V_{B}-V_{E} \quad V_{E}\rightarrow 0 \quad \Rightarrow V_{BE}=V_{C}

Saturación del BJT

En esta región se unen las curvas características y el voltaje del colector al emisor está en o por debajo de
Además, la corriente del colector es relativamente alta

V_{CE_{sat}}

Saturación del BJT

I_{C_{sat}}=\frac{V_{CC}}{R_{C}}

Saturación del BJT

V_{CE}=V_{CC}-I_{C}R_{C}

Análisis de la recta de carga

Obtener para el punto Q dado, los valores de

V_{CC},R_{C} \text{ y } R_{B}

Análisis de la recta de carga

La resistencia en el emisor estabiliza el circuito

Análisis de la recta de carga

Ejemplo:

  1. Definir parámetros para la recta de carga
  2. Con una corriente base de 15 uA, obtenga los valores de
  3. Determine la beta de CD en el punto Q
  4. Usando el beta obtenido, calcule       , y sugiera un valor estándar
I_{C_Q}, V_{CE_Q}
R_{B}

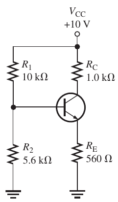
Polarización por divisor de voltaje

Polarización por divisor de voltaje

Ejemplo

Polarización con realimentación del colector

Polarización con realimentación del colector

Ejemplo

Ejercicios

1.

Ejercicios

2.

Ejercicios

3.